MicroNova based pellet stove

The MicroNova component allows you to integrate a pellet stove with a MicroNova board in ESPHome. It uses UART for communication.

The UART must be configured with a baud rate 1200, 8 data bits, 2 stop bits, no parity, no flow control.

⚠️ Warning

MicroNova bords come in various flavours. This code is only tested on an ExtraFlame Ketty Evo 2.0 stove. The protocol is not documented but has been reverse engineerd by others. See the links below for all the info that helped me. The different sensors, buttons and stove switch may require specific memory_location and memory_address parameters that match your MicroNova specific board.

Also, switching your stove on or off can behave different on the various MicroNova flavours.

Use this component at your own risk.

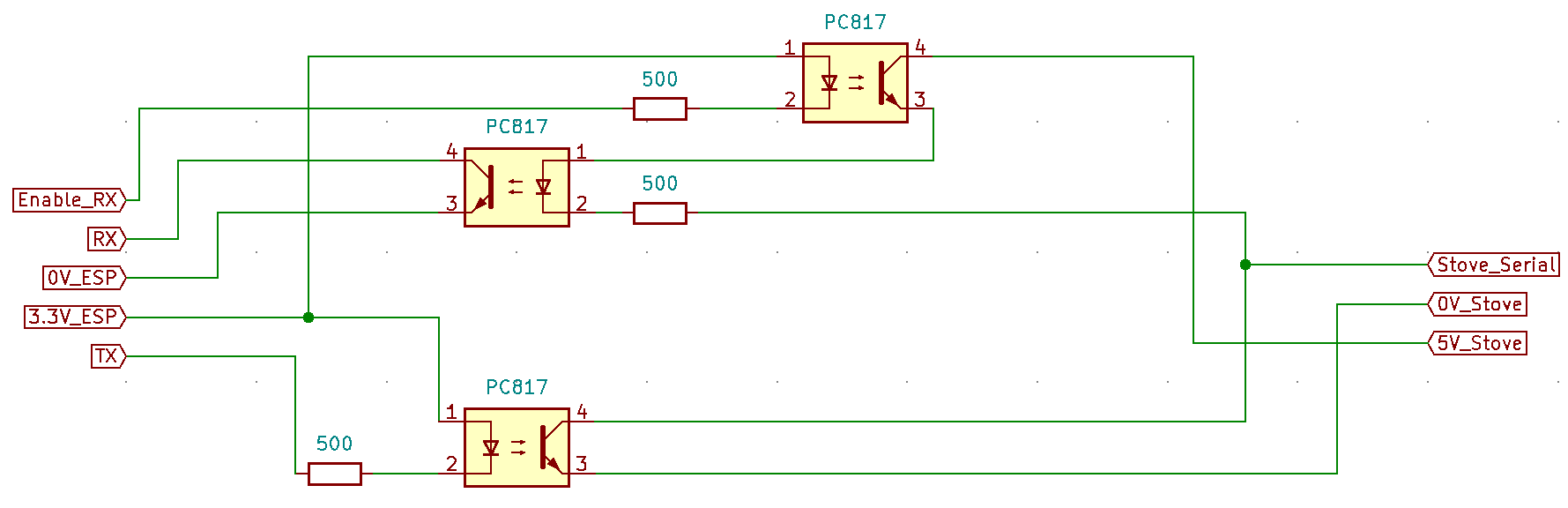
Connecting your stove

Most MicroNova based pellet stoves have a serial output. In most cases this output has 4 pins: GND, 5v, 20V and DATA.

Image
Image

You will have to build a simple circuit to interface with your stove. It is based on optocouplers for galvanic separation and logic level shifting between 5v and 3V3.

Image
Optocoupler interface circuit (credit: philibertc)

See the references below for all the details about te circuit.

You can use the 5V output from the stove to power the ESP module, but you will have to put a voltage regulator in between to get 3v3.

Component/Hub

micronova:
  enable_rx_pin: GPIOXX

Configuration variables

  • enable_rx_pin (Required, Pin): Output pin to be used to switch the line between RX and TX.

ℹ️ Note

For all text sensors, sensors, numbers, buttons and switches hereafter most of the the default memory_location and memory_address parameters will work so you should not specify them. However your Micronova boad may require you to specify alternate values. So every text sensor, button, switch or number accepts these parameters:

  • memory_location (Optional): The memory location for the parameter (0x00 for RAM, 0x20 for EPROM on most stoves). The write bit is set automatically when writing.

  • memory_address (Optional): The address where the parameter is stored.

Text Sensors

text_sensor:
  - platform: micronova
    stove_state:
      name: Stove status

Configuration variables

  • stove_state (Optional): The current stove state.
    • update_interval (Optional, Time): The interval that the sensors should be checked. Defaults to 60 seconds.
    • All options from Text Sensor.

Sensors

sensor:
  - platform: micronova
    room_temperature:
      name: Room temperature
    fumes_temperature:
      name: Fumes temperature
    stove_power:
      name: Stove power level
    fan_speed:
      fan_rpm_offset: 240
      name: Fan RPM
    water_temperature:
      name: Water temperature
    water_pressure:
      name: Water pressure
    memory_address_sensor:
      memory_location: 0x20
      memory_address: 0x7d
      name: Custom Address sensor

Configuration variables

  • room_temperature (Optional): Sensor that reads the stoves ambient room temperature.

    • update_interval (Optional, Time): The interval that the sensors should be checked. Defaults to 60 seconds.
    • All options from Sensor.
  • fumes_temperature (Optional): Fumes temperature.

    • update_interval (Optional, Time): The interval that the sensors should be checked. Defaults to 60 seconds.
    • All options from Sensor.
  • stove_power (Optional): Current stove power.

    • update_interval (Optional, Time): The interval that the sensors should be checked. Defaults to 60 seconds.
    • All options from Sensor.
  • fan_speed (Optional): Current fan speed. The raw value from the stove is multiplied by 10 + fan_rpm_offset.

    • fan_rpm_offset (Optional, integer): Offset the reported RPM value. Must be between 0 and 255. Defaults to 0.
    • update_interval (Optional, Time): The interval that the sensors should be checked. Defaults to 60 seconds.
    • All other options from Sensor.
  • water_temperature (Optional): Internal boiler water temperature.

    • update_interval (Optional, Time): The interval that the sensors should be checked. Defaults to 60 seconds.
    • All options from Sensor.
  • water_pressure (Optional): Internal boiler water pressure.

    • update_interval (Optional, Time): The interval that the sensors should be checked. Defaults to 60 seconds.
    • All options from Sensor.
  • memory_address_sensor (Optional): Can be any memory_location / memory_address you want to track. Useful when you don’t know where the parameter for your stove is.

    • memory_location (Required): The memory location for the parameter (0x00 for RAM, 0x20 for EPROM on most stoves).
    • memory_address (Required): The address where the parameter is stored.
    • update_interval (Optional, Time): The interval that the sensors should be checked. Defaults to 60 seconds.
    • All options from Sensor.

Numbers

number:
  - platform: micronova
    thermostat_temperature:
      name: Thermostat temperature
      step: 0.5
    power_level:
      name: Thermostat temperature

Configuration variables

  • thermostat_temperature (Optional): Number that holds the current stove thermostat value.
    • step (Optional): Temperature step. This value is used to multiply/devide the raw value when setting/reading the thermostat_temperature
    • update_interval (Optional, Time): The interval that the sensors should be checked. Defaults to 60 seconds.
    • All other options from Number.
  • power_level (Optional): Number that sets/reads the requested stove power.
    • update_interval (Optional, Time): The interval that the sensors should be checked. Defaults to 60 seconds.
    • All options from Number.

Buttons

button:
  - platform: micronova
    custom_button:
      name: Custom button
      memory_location: 0x20
      memory_address: 0x7d
      memory_data: 0x08

Configuration variables

  • custom_button (Optional): Write the hex value memory_data to a memory_location and memory_address All options from Button.
    • memory_location (Required): The memory location for the parameter (0x00 for RAM, 0x20 for EPROM on most stoves). The write bit is set automatically.
    • memory_address (Required): The address where the parameter is stored.
    • memory_data (Required): The hex value to be written to the memory_location and memory_address.

Switches

switch:
  - platform: micronova
    stove:
      name: Stove on/off switch

Configuration variables

  • stove (Optional): Turn the stove on or off. This switch will also reflect the current stove state. If the stove_state is “Off” the switch will be off, in all other states, the switch will be on.
    • update_interval (Optional, Time): The interval at which the state should be checked. Defaults to 60 seconds.
    • All options from Switch.

ℹ️ Note

Besides memory_location and memory_address you can specify specific memory_data_on and memory_data_off parameters. These parameters contain the hex value to be written to the memory_location and memory_address when the switch turns on or off.

  • memory_data_on (Optional): The data to write when turning the switch on.
  • memory_data_off (Optional): The data to write when turning the switch off.

See Also